杭州晶谷电子全国免费电话:400 855 0086
首 页 公司简介 公司新闻 产品展示 下载中心 企业荣誉 人才招聘 客户服务
点击这里给我发消息 联系我们
联系人:袁克军
电 话:0571-57109910
传 真:0571-57109810
手 机:13967134591
全国免费电话:400 855 0086
你怎么看待本频道的内容?
非常满意 内容丰富
还过的去 内容一般
我有建议 我会联系你们
您现在的位置为:首页>>产品展示>>三相整流移相触发器

三相整流移相触发器
更新时间:[2015-02-02] 浏览次数:25729次

  ㈠ 概述

  1、晶谷三相整流移相触发器它内部集三相电压同步过零检测、移相电路、输入控制电路和六路驱动可控硅的触发电路于一体,独特的全兼容输入控制模式, 0-5Vdc、0-10Vdc、4-20mA、1-5Vdc、0-10mA等自动方式均能适应,无须专门特别订制,也可用电位器手动控制。在输入控制作用下,产生三相可改变导通角度的强触发脉冲信号再去分别控制可控硅,即可实现三相负载电压从0V到电网全电压的无级可调。输入调节范围宽,输出调节精度高,抗干扰能力强,上电无瞬间冲击。触发器无须外接同步变压器,也无须外接直流电源,采用SMT贴片工艺,体积小,外围接线少,使用方便。触发器使用单宽脉冲强触发方式,适应感性负载或阻性负载,可以触发额定电流达1500A的可控硅。

  2、触发器有线性补偿功能,极大地提高了调节均匀性,输出变化接近理想直线,输入调节范围宽,输出调节精度高,三相对称性好,抗干扰能力强。

  3、触发器有缓启动功能,有效地减小了负载在通电时的瞬间冲击电流,延长负载寿命。调节触发器上“VR2”小电位器,缓启动时间可在0-10秒之间改变。

  4、触发器有输出最大值限制调节功能,调节触发器上“VR1”小电位器,限制值可在20-100%之间变化。

㈢ 多种输入方式
 
 
使用说明
1、独特的全兼容输入控制模式, 0-5Vdc、0-10Vdc、4-20mA、1-5Vdc、0-10mA等自动方式均能适应,无须专门特别订制,也可用电位器手动控制。
①、电位器手动控制方式:按图示,电位器中间端接到模块cont端,电位器另两端分别接到模块com端和+5V端。当控制端cont从0-5Vdc改变时,交流负载上的电压从0伏到最大值线性可调,cont端电压越高,模块输出越大。+5V电压由模块本身内部产生,无须外部提供,只配合手控电位器用,不作它用,所选用的电位器阻值在4.7-10KΩ之间。
②、0-5Vdc控制方式:按图示,可接受单片机等的0-5Vdc模拟信号,输入控制正极接cont端、负极接com端,模块内部cont端相对com端的输入阻抗大于30KΩ。采用此方式时''''''''''''''''4-20mA''''''''''''''''端和''''''''''''''''0-10Vdc''''''''''''''''端及+5V端悬空。
③、0-10Vdc控制方式:按图示,可接受PLC等的0-10Vdc模拟信号,模块内部0-10Vdc端相对com端的输入阻抗大于15KΩ。采用此方式时''''''''''''''''4-20mA''''''''''''''''端与+5V端和cont端悬空。
④、4-20mA控制方式:按图示,可接受温控表等的4-20mA模拟信号,模块内部4-20mA端相对com端的输入阻抗为250Ω。采用此方式时''''''''''''''''0-10Vdc''''''''''''''''端与+5V端和cont端悬空。
 ⑤、0-10mA控制方式:按图示,采用此方式时须在模块cont端与com端之间接一只500Ω、1/2W电阻,当输入0mA时对应cont端为0Vdc,当输入10mA时对应cont端为5Vdc。
2、各功能端相对com端必须为正,com端为负极,如极性接反则模块主回路输出端可能失控。
3、模块各功能端的控制特性均为正特性,即控制电压越高,模块强电主回路输出电压越高。
4、在某一时刻宜使用一种输入控制方式,若两种以上方式同时输入使用,则一般为输入信号较强的一种起主要作用。模块可以手动和自动两用,例如自动接在4-20mA端,手动接在0-5V端,可通过双掷开关进行功能切换。
 
㈣ 外形尺寸
 
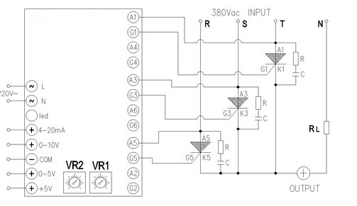
㈤  强电部分接线图
①、移相触发器(JG-T3SCRF)与6只单向可控硅组成三相全控桥式整流直流调压的接线图:
 
 
②、移相触发器JG-T3SCRF)与3只单向可控硅、3只整流二极管可组成半控桥式整流直流调压的接线图
 
此应用时,端口A4、G4、A6、G6、A2、G2不用,悬空即可。
③、移相触发器(JG-T3SCRF)与3只单向可控硅可组成三相半波整流直流调压的接线图,适用于单相大电流阻性负载(负载另一端接零线):
 
此应用时,端口A4、G4、A6、G6、A2、G2不用,悬空即可。
 
 
1、触发器有线性补偿功能,极大地提高了调节均匀性,输出变化接近理想直线,输入调节范围宽,输出调节精度高,三相对称性好,抗干扰能力强。
2、触发器有上电缓启动功能,有效地减小了负载在通电时的瞬间冲击电流,有效保护模块安全,延长负载寿命。三相全控、半控整流电路当输出端并联大电解电容滤波时,由于电容两端电压不能突变,这种高电压、大容性场合很容易造成可控硅过流而损坏。由于触发器有调节缓启动功能,因此不会有此类情况发生,对电容的冲击很小。
3、触发器有输出最大值限制调节功能,调节触发器上“VR1”小电位器,限制值可在20-100%之间变化,有效防止负载过冲。
4、三相触发器的触发端(如A1、G1,……,A6、G6)为单宽脉冲强触发方式,可以触发额定电流1500A以内的任何单向可控硅。强触发方式的连线为A1、G1对应 KPl的阳极和门极,而不是变压器驱动方式用的阴极和门极。
5、三相全控、半控、半波整流电路中的三路进线R、S、T,没有相序要求。
6、主电路中可控硅的阳极和阴极间必须加一阻容吸收回路保护,其中电阻一般选30-100Ω、3W以上,电容选0.1-1.0μf、400VAC以上。
7、触发器可以驱动从几十安到千余安的全系列规格的单相可控硅,组成简单经济的三相整流调压系统,此方案一般用于大于150A规格的大功率调压系统。对于150A规格以下场合,可选用JG-TH3P系列三相整流固态调压器。
8、触发器有LED电源指示和LED输出调节量指示。
9、触发器内置220V工作电源,与R、S、T主电路没有相位关系。其中“L”接R、S、T主电路的任一路,“N”必须接零线。触发器无须外接同步变压器,也无须外接直流电源。
10、触发器工作时发热很小,不需要安装在散热器上。
11、各输入控制端与开关电源输入端之间以及与强电主回路之间为全隔离设计,绝缘介质耐压大于2000 Vac。
 
 

关闭
《三相整流移相触发器》是由杭州晶谷电子有限公司网编责任编辑,转载请注明本文链接。
● 上一篇:双路固态调压器
● 下一篇:三相移相触发器