首 页
公司简介
公司新闻
产品展示
下载中心
企业荣誉
人才招聘
客户服务
公司新闻
客服中心
联系人:袁克军
电 话:0571-57109910
传 真:0571-57109810
手 机:13967134591
全国免费电话:400 855 0086
最新调查
你怎么看待本频道的内容?
非常满意 内容丰富
还过的去 内容一般
我有建议 我会联系你们
您现在的位置为:
首页
>>
公司新闻
>>固态继电器接线图
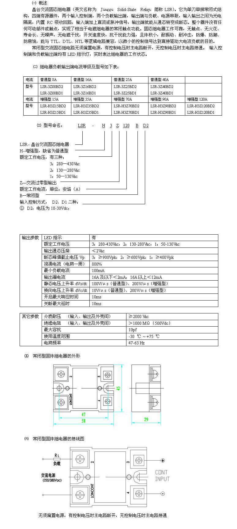
固态继电器接线图
更新时间:[2013-12-18] 浏览次数:3586次
常闭型的固态继电器的接线图如下:
【
关闭
】
● 上一篇:
固态调压器的更换方法
● 下一篇:
可控硅移相触发器原理
首 页
公司简介
公司新闻
产品展示
下载中心
企业荣誉
人才招聘
客户服务
HTML
XML
产品:
可控硅移相触发器
,
直流固态继电器
,
三相固态继电器
,
固体继电器
,
三相全控整流模块
,
单相全控整流模块
,
三相交流调压模块
,
单相交流调压模块
,
三相电机正反转控制模块的特点
Copyright ©2007-2015
固体继电器
固态继电器
-杭州晶谷电子
/*浙ICP备09016003号*/浙ICP备16043983号-1